|公司简介|
|联系我们|
 
一.概述:
  ·ST288A、ST289A×2、ST289A×4为方向判别专用集成电路,八脚双列直插封装或 贴片
   装,美国制造,工作电源5V,具有集成度高,功耗小静态电流约为1mA,抗干扰能力强等特
   点,外围只需加少许接口器件。
  ·具有多种功能:
   (1) 具有内部整形电路及数字滤波功能;
   (2) 可去除抖动误差;
   (3) 具有正方向脉冲、反方向脉冲、方向指示、双向脉冲输出功能;
   (4) 有多种输出脉冲宽度供选择;
   (5) ST289A×2为两倍频输出、ST289A×4为四倍频输出。
 
二、应用范围:
  电机转速测量,电动绕线机计数,加油机计量,特殊灯光控制,监视器云台转向控制
  等各种需判别方向和测量的场合。
 
三、典型电路说明:
    1·图中光电传感器ST278的A路为前输入端,B路为后输入端,ST289A的引脚与ST288A同。
   2·双光束光电传感器ST278我公司有生产,亦可选用我公司其它型号的光电传感器。
 
PDF资料下载,请点击电路图
四.电气参数:

          名称     符号      测试条件     最小值     最大值       单位
       ━━━━━━━━━━━━━━━━━━━━━━━━━━━━━━━━
       输出高电平  VoH    VDD=4.5V     3.8 V               (伏特)
       输出低电平  VoL    VDD=4.5V                0.6     V(伏特)
       输入高电平  ViH    4V≤VDD≤5.5V 0.85VDD    VDD     V(伏特)
       输入低电平  ViL    4V≤VDD≤5.5V  VSS    0.15VDD   V(伏特)
       静态电流    IDD    VDD =5V                  1.5 mA    (毫安)
       电源电压     VDD      2.5         5.5 V               (伏特)
       ━━━━━━━━━━━━━━━━━━━━━━━━━━━━━━━━
五、订货须知:  
   1. 以双光束直射取样式光电传感器作为ST288A输入信号取样时,取
       样物体的齿宽和齿间距必须大于光电传感器双光束间的间距;同样
       以反射式光电传感器作为ST288A输入信号取样时,取样的暗标志
       与亮标志的宽度必须大于两反射式光电传感器光束的间距,确保采 
       样脉冲信号的可靠性,防止误发脉冲信号。
   2. 脉冲输出宽出厂前可选择,但出厂后不可更改。
   3. 正方向脉冲输出信号与反方向脉冲输出信号没有严格的定义,是相
       对于ST288A输入端2脚4脚信号的先后而言,应用中根据实际情况选择。
   4. 工业级的芯片型号为ST288B、ST289B。工作环境温度-40~85℃。
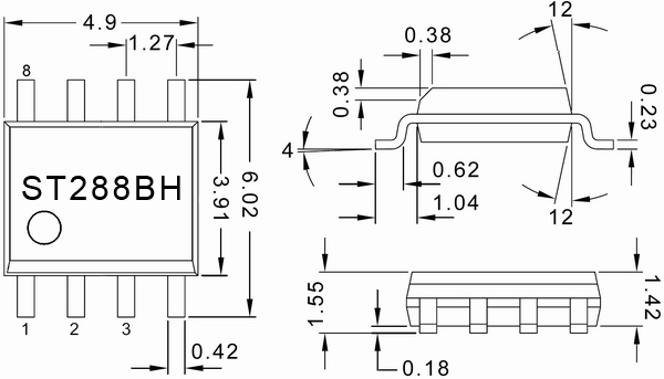
   5. 新款ST288BH、ST289BH×2、ST289BH×4建议选用SN封装。
 
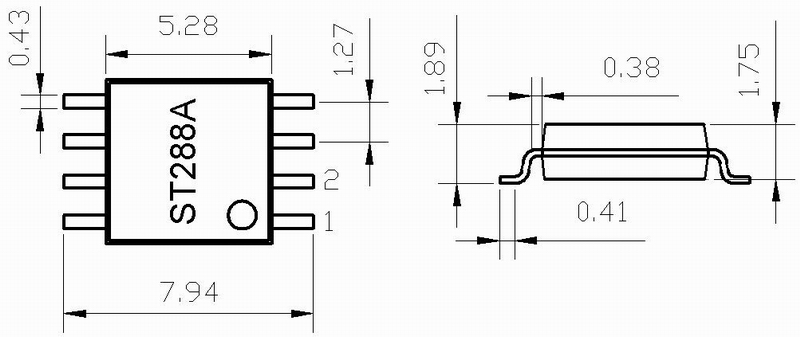
六、贴片封装示意图: 
(1) MS封装示意图 
 
 
(2) SN封装示意图
 
 
 
七、最高输入响应频率特性说明:

   ST288BH不定输出脉宽的最高输入响应频率:12KHz(此时脉宽为45μS)
   ST288A不定输出脉宽的最高输入响应频率:7KHz
   ST288A定输出脉宽16μS的最高输入响应频率:5KHz
   ST289BH×2、ST289BH×4不定输出脉宽的最高输入响应频率:12KHz(输出脉宽随输入频率变化,负脉宽
   为固定的10μS±3μS)

   以上是在输入脉冲占空比为50%,A,B相 相位差在90度的标准条件下测出。

   如果未达到此条件,响应频率将下降。

    
   版权所有:福建省南平市旭光电子科技有限公司
     地址:福建省南平市马坑支路42号  邮编: 353000
    TEL:0599-8628394 8625261 8638090 FAX:0599-8613626 E-mail:ST288A@163.com