1·反射取样式光电传感器的工作原理是传感器红外发射管发射出红外光,接收管根据反射回来的红外光强度大小来计数的,故被检测的工件或物体表面必须有黑白相间的部位用于吸收和反射红外光,这样接收管才能有效的截止和饱和达到计数的目的。所以在选择工作点、安装及使用中最关健的一点是接收管必须工作于截止区和饱和区。
    2·使用中光电传感器的前端面与被检测的工件或物体表面必须保持平行,这样光电传感器的转换效率最高。
    3·光电传感器的前端面与反光板的距离保持在规定的范围内。
    4·光电传感器必须安装在没有强光直接照射处,因强光中的红外光将影响接收管的正常工作。
    5·光电传感器的红外发射管的电流在2~10mA之间时发光强度与电流的线性最佳,所以在电流取值一般不超过这个范围,若取值太大发射管的光衰也大长时间工作影响寿命;若取值太小一是抗干扰性下降,二是对接收管的要求严。
    6·光电传感器长时间工作时红外接收管的最大工作电流不应超过250μA。
    7·安装焊接时,光电传感器的引脚根部与焊盘的最小距离不得小于5mm,否则焊接时易损坏管芯。或引起管芯性能的变化。
    8·光电传感器在具体的工作环境中最佳工作状态的参数选择方法:根据实际的检测距离选取光电传感器的型号。
安装好传感器,做好工件或物体表面的取样标志,在5V工作电压下根据该型号传感器红外发射管所需的工作电流选取负载电阻R1 (红外发射管的正向压降在(1~1.3 V),红外接收管负载电阻R2取一值,测量AB两点之间的电压。当光电传感器对准工件或物体表面黑色标志处,AB间的电压应控制在0.3~0.6V之间,此时光电传感器的工作状态最佳,若AB间电压小于0.3V,则将R2电阻阻值换大直到符合要求,若AB间电压大于0.6V,则相反。在工件或物体表面无黑色标记处,
AB间的电压≥4.5V即可。

 注:用于测量电压的电压表的内阻与接收管的负载电阻R2相比较必须有足够大,否则测量数据有误(特别在UAB较大时)。 

  

 

 

 

     光电传感器典型电路参数(以下表格参数是在Vcc=5V条件下取值,其它电源电压供电时的电阻取值按5V电源时发射管电流值和接收管饱和电流值换算,换算时发射管的正向压降VF=1.2V   接收管饱和压降取0.4V,复合管饱和压降取0.8V。仅供参考)

  

     电阻值

型号

R1

Ω

R2

Ω

电路

 

电阻值

型号

R1

Ω

R2

Ω

电路

ST178

510

20k

1

ST145

510

20k

1

ST178H

510

20k

ST150

510

20k

ST178P

510

20k

ST150A

510

20k

ST602

510

20k

ST150B

510

10k

ST198

510

20k

ST150F

510

27k

ST198A

510

20k

ST151

510

20k

ST188

510

20k

ST155

510

27k

ST168

510

20k

ST157

510

20k

ST138

510

20k

ST180

510

27k

ST139

510

20k

ST180A

510

20k

ST148

510

10k

ST1101

510

27k

ST120

510

27k

HT130

510

2k

2

ST130

510

15k

HT135

510

4.7k

ST130A

510

15k

HT150

510

2k

ST130B

510

10k

HT150F

510

2k

ST133

510

15k

HT151

510

2k

ST135

510

20k

HT180

510

3k

ST140

510

20k

HT181

510

3k

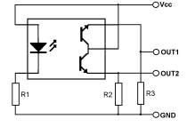
1

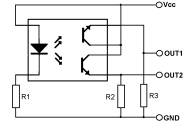
2

电阻值

型号

R1

Ω

R2

Ω

R3

Ω

电路 

 

电阻值

型号

R1

Ω

R2

Ω

电路

ST230C

510

33k

33k

3

IT051L

510

10K

8

ST232C

510

33k

33k

IT136H

510

10K

ST253C

510

33k

33k

IT156H

510

10K

ST254C

510

33k

33k

IT186H

510

10K

ST256C

510

27k

27k

IT1106H

510

10K

ST257C

390

33k

33k

-

-

-

ST258E

510

15k

15k

4

-

-

-

ST251C

360

33k

33k

5

-

-

-

ST252C

360

33k

33k

-

-

-

ST280C

360

33k

33k

-

-

-

ST281C

360

33k

33k

-

-

-

ST282C

360

33k

33k

-

-

-

ST278

1k

12k

12k

6

-

-

-

ST279

510

20k

20k

7

-

-

-

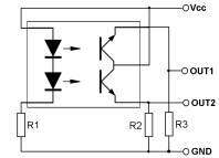
3

4

5

6

7

8

 地址:福建省南平市马坑支路42号 邮编:353000 开户行:中行南平分行 帐号:880004445408091001
         电话:0599-8628394 8625261 8638090 8638091    传真:8613626    Email
: ST288A@163.com

返回