|
一、特点:
1.体积小,重量轻,安装方便。
2.输出方式:NPN输出(可选RC、OC输出)。
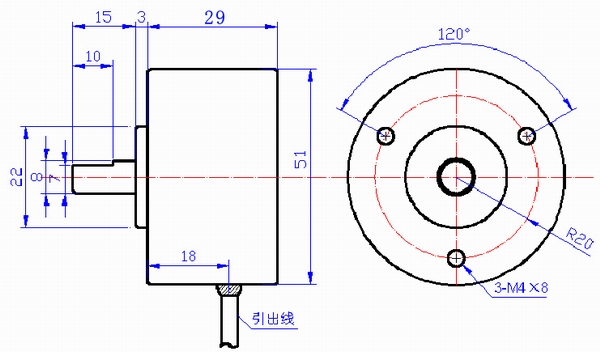
3.外径Φ51,止口Φ22,轴径Φ6,Φ8,
D形切口。
4.适用于精密工作环境。
5.电缆侧出。
6.可选脉冲数:100,360P/R.
7.型号说明:

|
资料下载,请点击图片
|
|
二、内部电路:

|
三、接线表:
信 号 |
SIG A |
SIG B |
SIG Z |
+5V |
0V |
屏蔽 |
导线颜色 |
棕 |
白 |
黄 |
红 |
黑 |
铜网 |
注:输出电缆线标准长度0.5M(可根据客户需要定做) |
| |
| |
四、技术参数:
电源电压Vcc |
DC+5V±5% |
最大机械转速 |
6000rpm |
输出电压 |
高电平≥85%Vcc,低电平≤0.3V |
抗震力 |
50m/s2,10~200Hz,XYZ方向各2h |
消耗电流 |
≤45mA |
抗冲击 |
980m/s2,6ms,XYZ方向各2次 |
响应频率 |
0~100KHz(或按客户要求) |
防 护 |
防尘 |
输出波形 |
方波 |
工作寿命 |
MTBF≥10000h(+25℃,2000rpm) |
载空比 |
0.5T±0.1T |
工作温度 |
-10℃~+70℃ |
启动力矩 |
1.5×10-3Nm(+25℃) |
储存温度 |
-30℃~+85 |
转动惯量 |
3.5×10-6Kgm2 |
工作湿度 |
20~85%(无结霜) |
轴最大负荷 |
径向:20N,轴向:10N |
重 量 |
约0.12kg |
|
|
| 注:工作电压还可选择12V、24V,购方需在订货时注明。 |
五、输出波型与信号位置准确度

|
六、安装尺寸:(单位:mm)

注: 固定螺丝旋进壳内,不能超过8mm。 |
| |
地址:福建省南平市马坑支路42号 邮编:353000 |
电话:0599-8625261 8638090 8638091 |
|
|
| 返回 |