MC-S30T30R(H/L)

一、特点:
● 工作电压宽
● 继电器常开、常闭输出
● 抗可见光和荧光灯干扰
● 抗相互干扰,可并排安装使用
● H--通光高平电平输出;L--通光低电平输出

资料下载,请点击图片

 

二、技术指标:

参  数

对射式

MC-S30T30R(H/L)

检测距离

3厘米

检测物体类型

不透明物体

连接方式

1.2米3芯电缆

电源电压

8--15VDC

光源

940nm红外光

控制输出

继电器常开、常闭输出

灵敏度调节

--

最大输出电流

2A

静态/工作电流

小于5mA/65mA

响应时间

小于1毫秒

电源极性反接保护

内置

绝缘电阻

大于50MΩ

动作指示灯

红色LED

环境温/湿度

-25℃至55℃/ 35%至90% 相对湿度

环境光强

日光:10,000lx,白炽灯光:3,000lx

 

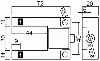
三、外形尺寸和接线图:

 
 
地址:福建省南平市马坑支路42号 邮编:353000
电话:0599-8625261   8638090    8638091
传真:0599-8613626  Email:ST288A@163.com
返回