IT1180F
一、特点:
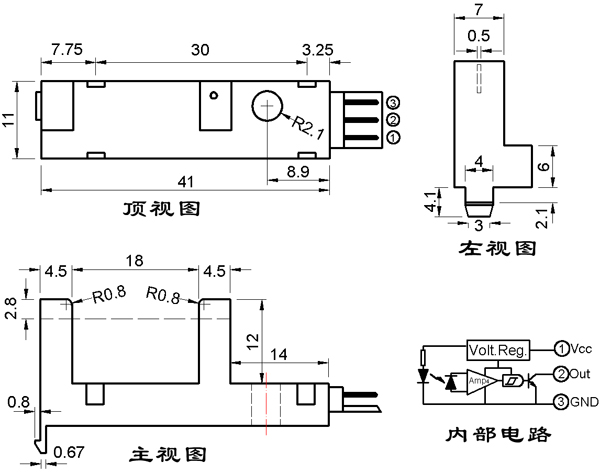
● 单光束施密特三极管集电极开路输出
● 光缝宽度:0.5mm;光轴中心:2.8mm。
● IT1180FH 为通光高电平输出,
IT1180FL 为通光低电平输出。
|
PDF资料下载,请点击图片

|
| |
| 二、极限参数:(Ta=25℃) |
项 目 |
符号 |
数值 |
单位 |
电源电压 |
Vcc max |
6 |
V |
输出电压 |
Vout |
16 |
V |
低电平输出电流 |
IOL |
30 |
mA |
工作温度 |
Topr |
-20~+65 |
℃ |
储存温度 |
Tstg |
-30~+75 |
℃ |
|
|
| |
| 三、光电特性:(Ta=25℃) |
项 目 |
符号 |
测试条件 |
最小 |
典型 |
最大 |
单位 |
电源电压 |
Vcc |
-- |
4.5 |
5.0 |
5.5 |
V |
输出高电平 |
VOH |
4.5V≤VOC≤16V |
0.9 VOC |
- |
- |
V |
输出低电平 |
VOL |
VOC=5V,IOL=15mA |
- |
- |
0.4 |
V |
输出方式 |
NPN三极管集电集开路输出 |
响应频率 |
f |
VCC=5V,RL=47K |
3000 |
- |
- |
HZ |
静态电流 |
ICC |
VCC=5V |
|
|
16 |
mA |
上升时间 |
Tr |
EV=100Lx,RL=280Ω |
- |
0.1 |
- |
μs |
下降时间 |
Tf |
- |
0.05 |
- |
μs |
|
| |
| 四、外形尺寸图: |
| |
 |
| |
地址:福建省南平市马坑支路42号 邮编:353000
|
电话:0599-8625261 8638090 8638091
|
|
|
| 返回 |