一、概 述:
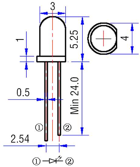
      IR3014是GaAlAs红外发射二极管,其特点
  是高发射强度、高可靠性、发射角度45°、直径
  3mm。广泛应用于仪器、仪表、电气设备近红外
  光数据传输发射,光电开关、光电转换、电视机、
  空调机、录像机等家用电器红外遥控信号发射。


资料下载,请点击图片

  二、主要技术参数

  

符号

单位

备注

耗散功率

PD

100

mW

 

正向电流

IF

50

mA

 

脉冲电流(脉宽=100us 占空比=1%)

IFP

1

A

 

反向电压

VR

5

V

 

工作温度

Topr

-20∽+85

 

储存温度

Tstg

-30∽+100

 

焊接温度

Tsol

260

(距引脚根部4mm,焊接时间最长5s

  三、光电特性 (Ta=25℃)

项目

符号

测试条件

最小

典型

最大

单位

发光强度

Ee

IF=20 mA

2.0

-

-

mA

IF=100 mA,tp=100 us,tp/T=0.01

IF=1 A,tp=100 us,tp/T=0.01

峰值波长

λP

IF=20 mA

-

-

0.5

μA

带宽

△λ

IF=20 mA

-

800

-

nm

正向电压

VF

IF=20 mA

-

-

0.4

V

IF=100 mA,tp=100 us,tp/T=0.01

IF=1 A,tp=100 us,tp/T=0.01

反向电流

IR

VR=5V

-

±36

-

deg

发射角度

2θ1/2

IF=20 mA

-

10

-

μS

发射距离

 

IF=20 mA

 

 

 

 

 
 
地址:福建省南平市马坑支路42号 邮编:353000
电话:0599-8625261   8638090   8638091
传真:0599-8613626 Email:ST288A@163.com
返回