S8系列: |
| |
资料下载请点击图片 |
特点:
● 工作电压5~25V DC。
● 有多种输出方式选择。
● 体积小,安装简便。
|
|
|
| |
一、输出方式及型号说明: |
输出方式 |
型 号 |
接线图 |
直流二线制.常开 |
S8-D3K2 |
图(1) |
直流二线制.常闭 |
S8-D3B2 |
直流三线制.NPN.常开 |
S8-D3NK3 |
图(2) |
直流三线制.NPN.常闭 |
S8-D3NB3 |
图(3) |
直流四线制.NPN.常开+常闭 |
S8-D3NKB4 (注:工作电压为5V DC) |
图(4) |
|
| |
| 二、技术参数: |
检测距离 |
0~3mm |
标准检测物体 |
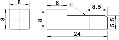
8x8x1 铁 |
部分材料衰减系数 |
钢:1;不锈钢:0.85;铜:0.4;黄铜:0.3 |
连接方式 |
0.6米 电缆线;(可选:二线制;三线制;四线制) |
工作电压 |
5~25V DC (注:四线制工作电压为5V DC) |
输出电流 |
16mA |
静态电流 |
1mA |
通态压降 |
小于1.5V DC |
响应频率 |
200Hz |
保护电路 |
极性保护;输出过流保护 |
绝缘电阻 |
大于50MΩ |
动作指示灯 |
红色LED |
工作温度 |
-20°C~+70°C |
外壳材质 |
ABS |
防护等级 |
IP67 |
|
|
| |
| 三、外形尺寸和接线图: |
| |
|
| |
| |
 |
| |
地址:福建省南平市马坑支路42号 邮编:353000 |
电话:0599-8625261 8638090 8638091 |
|
|
| 返回 |